
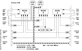
Esquema Sistema Pitot-Estática Airbus 330
ALTÍMETRO, INDICADOR DE VELOCIDADE VERTICAL e VELOCÍMETRO
Pressão Estática, também conhecida como Pressão Ambiente. Está sempre presente, mesmo com a aeronave movendo ou em repouso.
Pressão Dinâmica, está presente somente quando a aeronave está em movimento.
O vento sempre gera Pressão Dinâmica.
Pressão Total, é a Pressão Dinâmica mais a Pressão Estática.
Sistema PITOT, capta tanto a Pressão Dinâmica quanto a Pressão Estática.
Sistema Estática, capta somente a Pressão Estática.
Velocímetro, é o único instrumento que utiliza o tubo de PITOT. A pressão Total (Dinâmica + Estática) entra pelo tubo de Pitot e Pressão Estática entra pelas Portas Estáticas localizadas nas laterais da aeronave. No velocímetro as Pressões Estáticas se anulam, ficando apenas a Pressão Dinâmica, a qual é indica no instrumento.
Altímetro e Indicador de Velocidade Vertical (VSI), são os instrumentos que utilizam apenas Pressão Estática e recebem tal pressão através de pequenos orifícios nas laterais da aeronave. Linhas (tubos) conduzem a Pressão Estática até os instrumentos.
Há uma fonte ALTERNADA de Pressão Estática para o caso da fonte do sistema primário entupir (bloquear).
Quando a fonte ALTERNADA é usada, os seguintes instrumentos são observados com indicações para mais:
- Altímetro
- Velocímetro
- Indicador de Velocidade Vertical
Em aeronave não equipada com fonte ALTERNADA de Pressão Estática, um método alternativo de introduzir Pressão Estática no sistema, se ele ficar bloqueado ou entupido, é quebrar o vidro do mostrador do VSI.
ALTÍMETRO
A altitude indicada é correta, somente quando a pressão barométrica ao nível do mar estiver padrão (29.92 polegadas de Mercúrio), a temperatura do ar livre ao nível do mar for de 15ºC = 59ºF e a pressão e temperatura diminuirem numa razão padrão com um aumento de altitude.
TIPOS DE ALTITUDE
Altitude Indicada, é a lida diretamente no ALTÍMETRO (é incorreta) quando ele estiver ajustado para o ajuste conrrente.
Altitude Verdadeira, é a distância vertical da aeronave acima do nível do mar - altitude real. É expressa em pés acima do nível do mar (MSL).
Altitude Absoluta, é a distância vertical da eronave acima do terreno, ou AGL. (above ground level)
Sistema Pitot e Sistema Estática
Devido ao acidente aéreo com o Airbus 330 da Air France, voo AF447 e Airbus 310 da Yemenia muito se tem ouvido falar na mídia televisiva sobre o Tubo de Pitot, o qual é apontado insistentemente como uma possível principal causa para aquele acidente aéreo.
Há necessidade de ser esclarecido definitivamente as situações que poderão ocorrer, caso estes sistemas de tomada de pressão: DINÂMICA e ESTÁTICA se tornem bloqueados (entupidos).
PRIMEIRO CASO - TUBO DE PITOT OBSTRUÍDO e seu orifício DRENO livre
Quando o orifício do DRENO permanece livre, o AR já existente no sistema, sairá através do DRENO do sistema PITOT e a pressão remanescente cai para a pressão ambiente (pressão do ar externo).
A leitura no VELOCÍMETRO será ZERO, porque não há diferença de pressão entre a da entrada do PITOT ( pressão remanescente) e a Pressão Estática do ar.
A aparente perda de velocidade não é usualmente instantânea, mas acontece muito rapidamente.
SEGUNDO CASO - PITOT OBSTRUÍDO e orifício do DRENO OBSTRUÍDO
Ambos, abertura da tomada do tubo de Pitot e o orifício do DRENO ficam obstruídosNeste caso a pressão no tubo de Pitot fica "presa".
Nenhuma mudança é notada na indicação de velocidade, se a IAS aumentar ou diminuir.
CAIXA DO VELOCÍMETRO
Dentro da caixa do velocímetro há um empilhamento de CÁPSULAS ANEROIDES. Há pressão referencial que é a Pressão Estática. Dentro desta caixa está o diafragma recebendo PRESSÃO DINÂMICA e PRESSÃO ESTÁTICA através do tubo de Pitot.
Se a PRESSÃO ESTÁTICA diminuir dentro da caixa do instrumento, o diafragma expande e isto indica um aumento de velocidade. Se a PRESSÃO ESTÁTICA aumentar, o diafragma contrairá, assim indicará diminuição de velocidade.
AERONAVE DESCENDO ou SUBINDO
Ao descer,
a pressão do sistema PITOT, incluindo o diafragma permaneceria constante, pois o PITOT está entupido (bloqueado) e o diafragma está numa pressão só.
Quando a descida é feita, a PRESSÃO ESTÁTICA (dentro da caixa do velocímetro) aumentaria contra o diafragma, causando sua compressão, em consequência resultando numa indicação de IAS diminuindo (estando o avião descendo!!!?).
Ao subir,
Inversamente, se o avião subir, a PRESSÃO ESTÁTICA (dentro da caixa do velocímetro) diminui e o diafragma s expande, disso resultando uma indicação de IAS aumentando (estando o avião subindo!!!?).
TERCEIRO CASO - SISTEMA ESTÁTICO OBSTRUÍDO E SISTEMA PITOT livre
Quando o sistema ESTÁTICA fica obstruído, mas o sistema PITOT permanece livre, o velocimetro continua a operar, porém as indicações são imprecisas.
AERONAVE ACIMA DA ALTITUDE na qual as PORTAS ESTÁTICAS bloquearam
O velocímetro indica MENOR velocidade que a real. Porque a PRESSÃO ESTÁTICA "presa" (dentro da caixa) está MAIS ALTA que a normal para essa altitude, então o diafragma se CONTRAI e resulta numa indicação de IAS menor que a real.
AERONAVE ABAIXO DA ALTITUDE na qual as PORTAS ESTÁTICAS bloquearam
O velocímetro indica uma IAS maior que a real. Isto devido à relativamente baixa PRESSÃO ESTÁTICA "presa" no sitema, ou seja, ao descer a aeronave, a PRESSÃO DINÂMICA aumenta (bem como a PRESSÃO ESTÁTICA) entrando pelo tubo de Pitot), assim esta PRESSÃO ESTÁTICA entrando, torna-se MAIOR que a PRESSÃO ESTÁTICA "presa" dentro da caixa do velocímetro, favorecendo portanto, a EXPANSÃO do diafragma e tendo como resultado uma indicação de IAS maior que a real.
VSI e ALTÍMETRO
Uma obstrução do sistema ESTÁTICA também afeta o ALTÍMETRO e o VSI.O Altímetro "congela" na altitude onde ocorreu a obstrução do sistema ESTÁTICA.
O Indicador de Velocidade Vertical - VSI indica ZERO continuamente.
FORMAÇÃO DOS RELÂMPAGOS e INGESTÃO DE ÁGUA PELOS MOTORES
Sabemos que no interior de um condutor em equilíbrio eletrostático o campo elétrico é nulo.
O excesso de carga elétrica em um condutor em equilíbrio se situa em uma superfície, e nela permanecerá enquanto o condutor estiver imerso em um meio isolante.
Para eletrostática é indiferente se o condutor é oco ou maciço.
Porém, quando consideramos um condutor, devemos ter em mente três partes: a interna, a externa e a superfície.
A Área de uma superfície Esférica = 4πR^2
O Volume de uma Esfera = 4/3 π R^3
O PODER DAS PONTAS
Potencial Elétrico
A intensidade do campo elétrico, na superfície do condutor, é igual à metade da intensidade do campo elétrico em um ponto PRÓXIMO e EXTERNO ao condutor.
Do ponto de vista da eletrostática, o planeta Terra é um grande condutor ESFÉRICO com raio de 6.4 x 106 metros, no vácuo. A constate eletrostática k = 9 x 109 N.m^2 /C^2
Capacitância de um condutor
É a relação entre a quantidade de CARGA ELÉTRICA (Q) e o POTENCIAL ELÉTRICO (V) correspondente:
C=Q/V a unidade de medida é o farad (F)
C = { EQ /f(Q,V) }
Como C = Q/V, então C é o mesmo que Q/kQ /R (onde V=kQ/R), o que implica em C =R/k.
Ou seja, a capacitância de um condutor esférico é proporcional ao seu RAIO.
Como podemos perceber, mesmo uma esfera gigantesca, como a Terra, sua capacitância é menor que 1mF (milifarad).
O condutor de menor RAIO tem maior densidade superficial de carga, e vice-versa.
A intensidade do campo elétrico é maior na esfera de menor RAIO, e vice-versa.
Assim, em um dado condutor em equilíbrio eletrostático, as regiões PONTIAGUDAS apresentam um CAMPO ELÉTRICO mais intenso e uma maior concentração de cargas elétricas.inserir imagem
Dependendo do valor do CAMPO ELÉTRICO, podemos ter ionização do ar e a consequente descarga do condutor.
Durante a formação das tempestades, ANTES de iniciar-se uma precipitação chuvosa é comum surgirem relâmpagos.
Quando as gotículas de água em suspensão na atmosfera começam a se JUNTAR, ocorre nelas um AUMENTO no potencial elétrico.
Vamos imaginar 8 (oito) gotas iguais aglutinando-se para formar uma gota maior.
Supondo-se que cada gota menor tenha uma carga elétrica Q, a gota maior possuirá uma carga Q' = 8Q.
Sabemos que no interior de um condutor em equilíbrio eletrostático o campo elétrico é nulo.
O excesso de carga elétrica em um condutor em equilíbrio se situa em uma superfície, e nela permanecerá enquanto o condutor estiver imerso em um meio isolante.
Para eletrostática é indiferente se o condutor é oco ou maciço.
Porém, quando consideramos um condutor, devemos ter em mente três partes: a interna, a externa e a superfície.
A Área de uma superfície Esférica = 4πR^2
O Volume de uma Esfera = 4/3 π R^3
O PODER DAS PONTAS
Potencial Elétrico
A intensidade do campo elétrico, na superfície do condutor, é igual à metade da intensidade do campo elétrico em um ponto PRÓXIMO e EXTERNO ao condutor.
Do ponto de vista da eletrostática, o planeta Terra é um grande condutor ESFÉRICO com raio de 6.4 x 106 metros, no vácuo. A constate eletrostática k = 9 x 109 N.m^2 /C^2
Capacitância de um condutor
É a relação entre a quantidade de CARGA ELÉTRICA (Q) e o POTENCIAL ELÉTRICO (V) correspondente:
C=Q/V a unidade de medida é o farad (F)
C = { EQ /f(Q,V) }
Como C = Q/V, então C é o mesmo que Q/kQ /R (onde V=kQ/R), o que implica em C =R/k.
Ou seja, a capacitância de um condutor esférico é proporcional ao seu RAIO.
Como podemos perceber, mesmo uma esfera gigantesca, como a Terra, sua capacitância é menor que 1mF (milifarad).
O condutor de menor RAIO tem maior densidade superficial de carga, e vice-versa.
A intensidade do campo elétrico é maior na esfera de menor RAIO, e vice-versa.
Assim, em um dado condutor em equilíbrio eletrostático, as regiões PONTIAGUDAS apresentam um CAMPO ELÉTRICO mais intenso e uma maior concentração de cargas elétricas.inserir imagem
Dependendo do valor do CAMPO ELÉTRICO, podemos ter ionização do ar e a consequente descarga do condutor.
Durante a formação das tempestades, ANTES de iniciar-se uma precipitação chuvosa é comum surgirem relâmpagos.
Quando as gotículas de água em suspensão na atmosfera começam a se JUNTAR, ocorre nelas um AUMENTO no potencial elétrico.
Vamos imaginar 8 (oito) gotas iguais aglutinando-se para formar uma gota maior.
Supondo-se que cada gota menor tenha uma carga elétrica Q, a gota maior possuirá uma carga Q' = 8Q.
Mas o que acontece com a superfície A' da gota maior?Sabemos que o volume de gota formada será 8 vezes o volume de cada uma das componentes. O volume é proporcional ao cubo do raio.
O Volume de uma Esfera = 4/3 π R^3
Então, para obter um volume multiplicado por 8, basta dobrarmos o raio.
Volume x 8 = 4/3. π . 2 . R^3
Fazendo isso, a superfície A de cada gota ficará multiplicada por 4, pois a área é proporcional ao quadrado do raio.
A Área de uma superfície Esférica = 4πR^2
Para analisar o que acontece com a intensidade do campo elétrico nos pontos extremamente próximos à superfície, basta nos lembrarmos de que em um condutor esférico, a intensidade do campo é proporcional à densidade de cargas. Temos então, para a gota formada, Q' = 8Q e A' = 4A, concluindo que a densidade de cargas será o dobro da que havia antes da aglutinação. Vemos então que o campo vai ficando cada vez mais intenso à medida que as gotas se juntam, podendo IONIZAR o ar, desencadeando os relâmpagos.
Não se pode deixar de considerar também os potenciais. Como o potencial é diretamente proporcional à quantidade de carga Q e inversamente proporcional ao raio da gota, o novo potencial é 4 vezes maior do que o anterior à aglutinação. Com a aglutinação, aumenta a diferença de potencial entre as gotas e o solo, reforçando a tendência às descargas.
Uma explosão nada mais é do que uma expansão muito rápida. Violenta e rapidamente o ar é aquecido, pelo brusco movimento dos portadores de carga, resultando numa expansão explosiva.
INGESTÃO DE ÁGUA PELOS MOTORES
Se a velocidade da corrente de ar ascendente numa tempestade com trovoada se aproxima ou excede a velocidade terminal das GOTAS de água caindo, concentração muito alta de água pode ocorrer.
Estas concentrações podem estar em excesso da quantidade de água que a TURBINA pode ingerir.
Tempestade com trovoadas SEVERAS pode conter áreas de alta concentração de água, a qual pode resultar no APAGAMENTO e/ou falha estrutural de um ou mais motores.

Nenhum comentário:
Postar um comentário